

الميزان القياسي متعدد الرؤوس مناسب لوزن الأطعمة الترفيهية مثل الحلوى والبذور والهلام وأطعمة الحيوانات الأليفة والأطعمة المنتفخة والفستق والفول السوداني والمكسرات والزبيب وما إلى ذلك والمكسرات ذات القشرة الكبيرة والأدوات الصلبة والفواكه المجففة والأطعمة المجمدة والأطعمة الخفيفة وكرات اللحم و هكذا.

1. خلية تحميل خاصة بدقة عالية ومعايير عالية.
2. وظيفة استعادة البرنامج يمكن أن تقلل من فشل العملية و دعم معايرة الوزن متعددة القطاعات
3. لا توجد وظيفة توقف تلقائي للمنتجات يمكنها تحسين استقرار الوزن والدقة
4. يمكن تعديل السعة الخطية بشكل مستقل في الجري
5. العديد من اللغات المتاحة للأسواق العالمية.
6. قدرة 100 برنامج يمكن أن تلبي متطلبات الوزن المختلفة وتسهم قائمة المساعدة سهلة الاستخدام في سهولة التشغيل
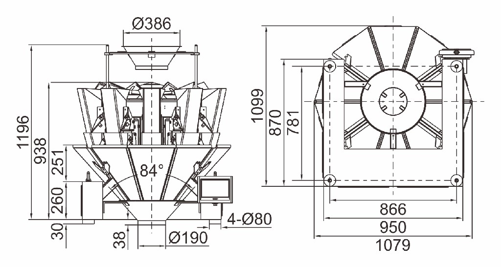
وعاء سعة 1.1.6 لتر / 2.5 لتر ، مناسب لجميع أنواع المواد القياسية الشائعة ، يمكن استخدامه على نطاق واسع
2.عملية صنع القالب ومعايير التصميم الموحدة تساهم في تحسين قابلية التبادل لقطع الغيار
3 يعزز مكانة الوسط السميك من الألومنيوم من قوة الماكينة ، مما يجعل وقت تثبيت القواديس أقصر بكثير
4. يتوفر نوع الوزن للكشف عن المواد ، والتي يمكن أن تحقق تحكمًا دقيقًا في وقت التغذية وسمك المواد وتضمن دقة الوزن
5.Can اختيار قادوس براءة اختراع لا الربيع ، فعالة من حيث التكلفة.
| نموذج | JW-A10 | JW-A12 | JW-A14 | JW-AM10 | JW-AM14 | JW-A10 | JW-A14 | 
| تعريف الكود | A10-1-1 | A12-1-1 | A14-1-1 | AM10-1-1 | AM14-1-1 | أ10-1-3 | A14-1-3 | 
| نطاق الوزن | 10-1000 جرام | 10-1500 جرام | 10-1500 جرام | 100-3000 جرام | 100-3000 جرام | 10-1000 جرام | 10-1500 جرام | 
| صحة | اكس (0.5) | اكس (0.5) | اكس (0.5) | اكس (1) | اكس (1) | اكس (0.5) | اكس (0.5) | 
| السرعة القصوى | 65P / م | 100P / م | 120P / م | 50P / م | 80P / م | 60P / م | 100P / م | 
| حجم القادوس | 1.6 / 2.5 لتر | 5 لتر | 1.6 لتر (بدون زنبرك) | ||||
| لوحة التحكم | شاشة تعمل باللمس مقاس 7 بوصات | ||||||
| خيارات | لوحة الدمل / قادوس التوقيت / الطابعة / جهاز الرفض | ||||||
| نظام القيادة | محرك خطوة | ||||||
| متطلبات الطاقة | 220 فولت / 1000 واط / 50/60 هرتز / 10 أمبير | 220 فولت / 1200 واط / 50/60 هرتز / 10 أمبير | 220 فولت / 1500 واط / 50/60 هرتز / 10 أمبير | 220 فولت / 1500 واط / 50/60 هرتز / 10 أمبير | 220 فولت / 1500 واط / 50/60 هرتز / 12 أمبير | 220 فولت / 1000 واط / 50/60 هرتز / 10 أمبير | 220 فولت / 1500 واط / 50/60 هرتز / 12 أمبير | 
| أبعاد التعبئة (مم) | 1620 (طول) × 1100 (عرض) × 1110 (ارتفاع) | 1700 (طول) × 1100 (عرض) × 1130 (ارتفاع) | 1700 (طول) × 1100 (عرض) × 1265 (ارتفاع) | 1950 (L) X1280 (W) X1690 (H) | 2195 (L) X1380 (W) X1810 (H) | 1620 (طول) × 1100 (عرض) × 1110 (ارتفاع) | 1700 (طول) × 1100 (عرض) × 1265 (ارتفاع) | 
| الوزن الإجمالي | 380 كجم | 430 كجم | 490 كجم | 600 كجم | 750 كجم | 380 كجم | 490 كجم | 



